Home
/
BB
BB
Clear all
40%
OFF
QUICK VIEW
6 Light Vanity Light Brushed Nickel Bathroom Lighting Fixtures Over Mirror, Modern Bathroom Light with Clear Glass Shade, Farmhouse Vanity Lights
$ 144.00
Save
$ 57.60
40%
OFF
QUICK VIEW
5-Light Brushed Nickel Vanity Lights, Bathroom Light Fixtures with Textured Milky White Glass Shade, Modern Bathroom Lighting Fixtures Over Mirror Wall Sconce Light - E26 Base
$ 90.00
Save
$ 36.00
40%
OFF
QUICK VIEW
SineRise LED Modern Bathroom Vanity Light Fixtures (3-Light, 24-Inch), Chrome Modern Acrylic Bathroom Wall Lighting Fixtures Over Mirror (Cool White 6000K)
$ 73.00
Save
$ 29.20
40%
OFF
QUICK VIEW
Black Pendant Lights Kitchen Island 3 Pack, Mini Crystal Chandeliers, Modern Pendant Lights Ceiling Lighting Fixtures for Kitchen Island, Dinning Room, Bedroom
$ 130.00
Save
$ 52.00
40%
OFF
QUICK VIEW
KRAUS Bolden Single Handle Drinking Water Filter Faucet for Reverse Osmosis or Water Filtration System in Spot-Free Stainless Steel, FF-104SFS
$ 110.00
Save
$ 44.00
40%
OFF
QUICK VIEW
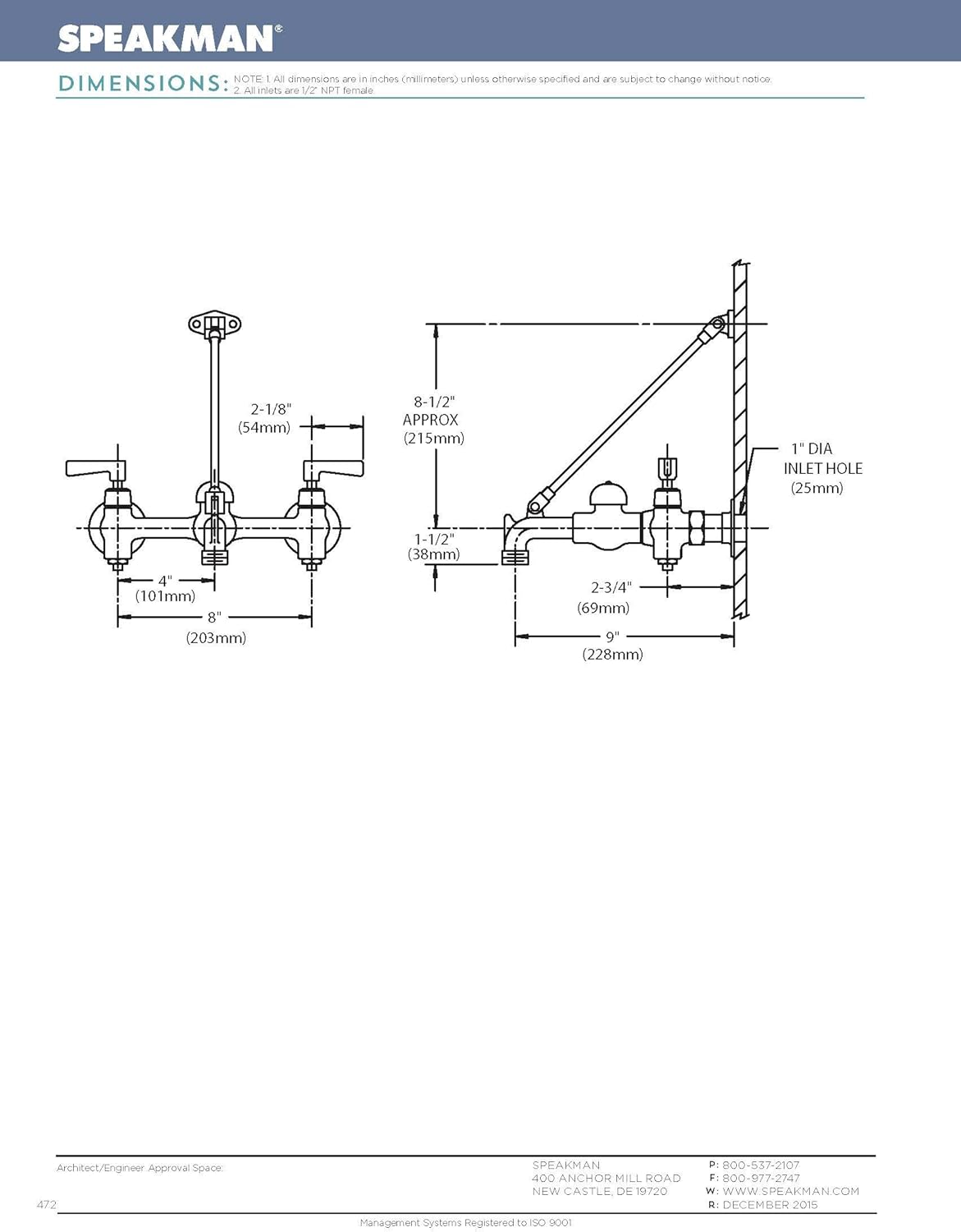
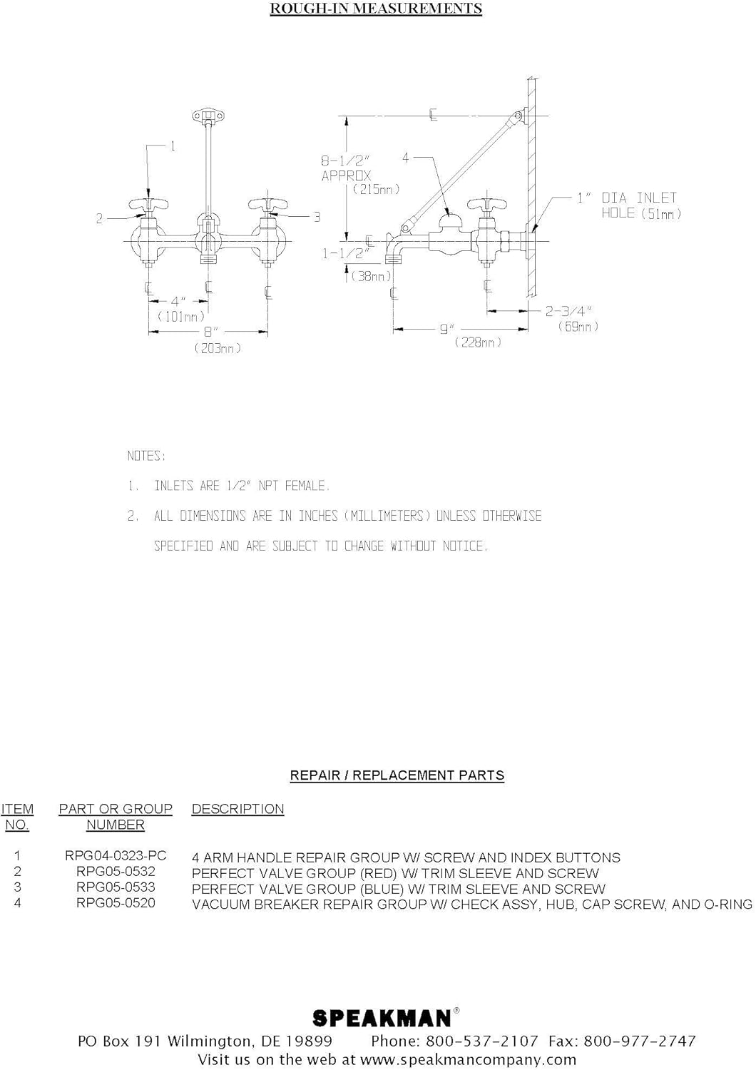
Speakman SC-5812-RCP Commander Service, Rough Chrome-Plated Utility Sink Faucet
$ 126.00
Save
$ 50.40
48%
OFF
QUICK VIEW
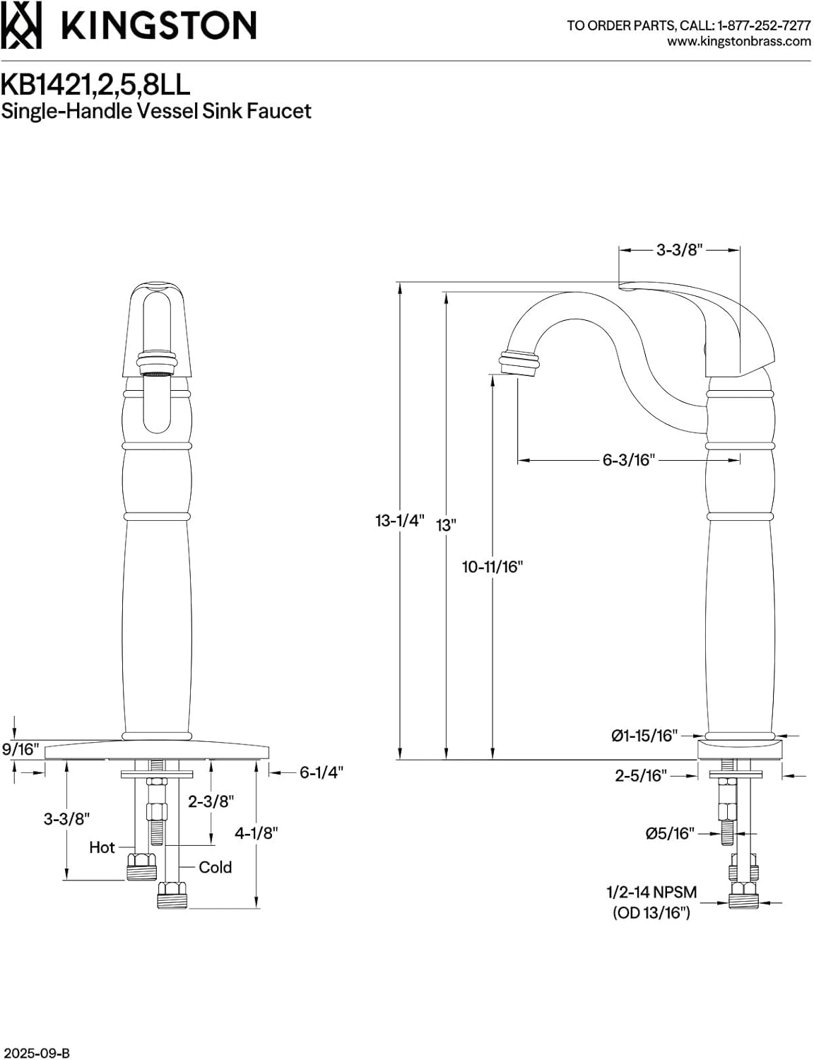
Kingston Brass KB1428LL HeritageVessel Sink Faucet with Optional Cover Plate, Brushed Nickel
$ 169.81
Save
$ 83.08
40%
OFF
QUICK VIEW
T&S Brass B-0306 Single Pantry Faucet, Deck Mount, Lever Handle, Swivel Gooseneck (133X)
$ 139.00
Save
$ 55.60
48%
OFF
QUICK VIEW
Peerless Westchester Single-Handle Kitchen Sink Faucet with Pull Down Sprayer, Oil-Rubbed Bronze P7923LF-OB
$ 169.81
Save
$ 83.08
40%
OFF
QUICK VIEW
Peerless Westchester Single-Handle Kitchen Sink Faucet with Pull Down Sprayer, Stainless P7923LF-SS
$ 147.00
Save
$ 58.80

























































































































































































































































































